• CN
  • EN
事德拿(上海)智能科技有限公司
  • 首页
  • 关于我们
    公司简介
    专业工厂
    资质认证
  • 产品中心
    支撑缸系列
    转角缸系列
    杠杆缸系列
    单动缸系列
    旋转接头
    阀系列
    直线缸
  • 新闻中心
    展会信息
    公司新闻
    行业新闻
  • 联系我们
    联系信息
    在线留言
  • 下载中心
    产品画册
    事德拿3D数模
事德拿(上海)智能科技有限公司
  • 首页
  • 关于我们
    公司简介
    专业工厂
    资质认证
  • 产品中心
    支撑缸系列
    转角缸系列
    杠杆缸系列
    单动缸系列
    旋转接头
    阀系列
    直线缸
  • 新闻中心
    展会信息
    公司新闻
    行业新闻
  • 联系我们
    联系信息
    在线留言
  • 下载中心
    产品画册
    事德拿3D数模
简体中文 English
事德拿(上海)智能科技有限公司
产品中心
产品中心
首页>产品中心>阀系列
油压减压阀 BGM
  • 流量控制阀 TTF
  • 油压调速阀KTF
  • 油压顺序阀 BGT
  • 油压顺序阀PBGT
  • 气压顺序阀 BGW
  • 油压单向阀 BGF
  • 液控单向阀 PBGF
  • 油压减压阀 BGM
  • 油压减压阀PBGM
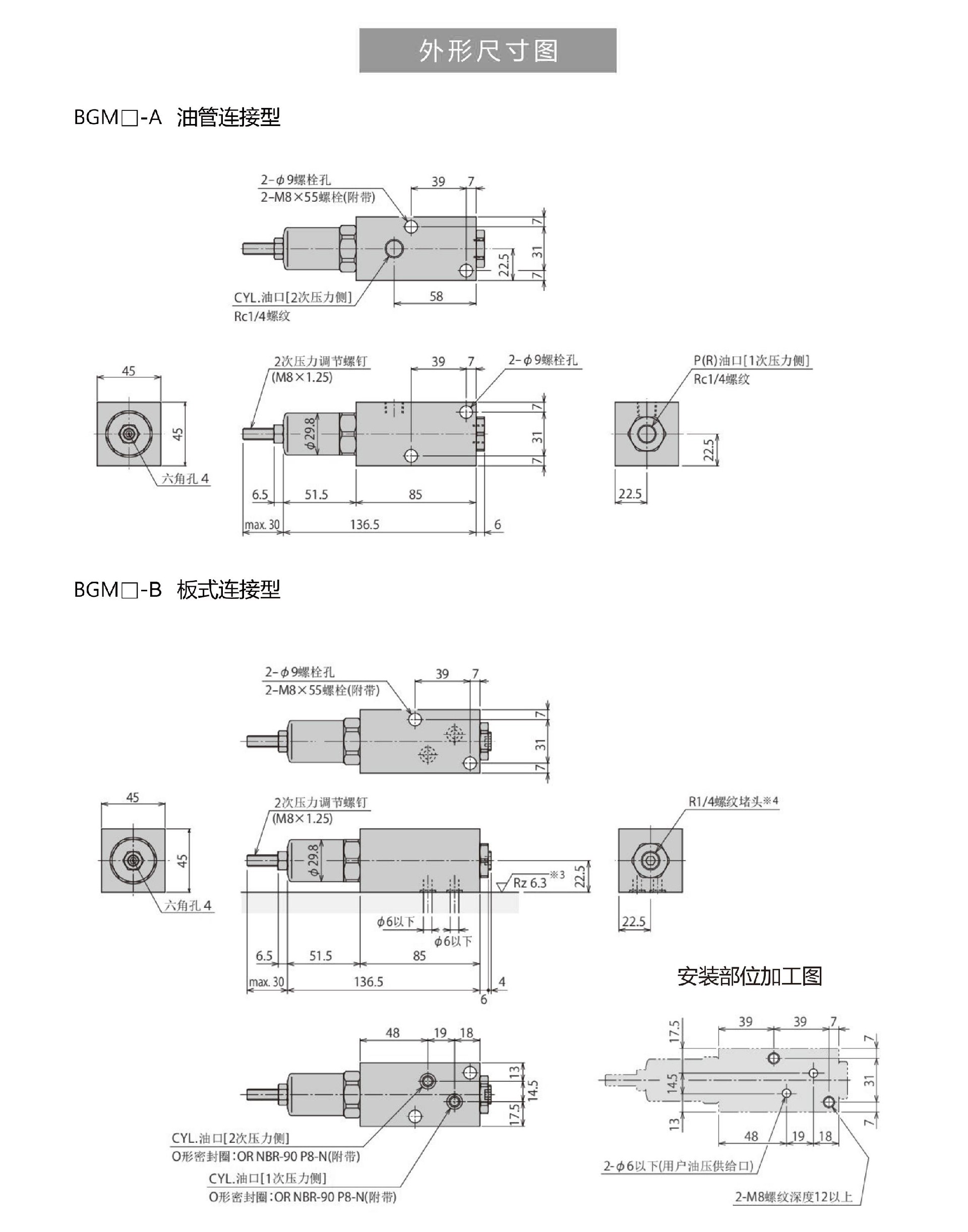
油压减压阀 BGM

无需回油口,能简单地进行部分回路的减压



事德拿新画册20250222最终版_109-143_32-1.jpg




外形尺寸图


事德拿新画册20250222最终版_109-143_32-2.jpg


Copyright 2022 事德拿(上海)智能科技有限公司ALL RIGHTS RESERVED
沪ICP备19023636号-1

关于我们
公司简介 专业工厂 资质认证
产品中心
支撑缸系列 转角缸系列 杠杆缸系列 单动缸系列 旋转接头 阀系列 直线缸
新闻中心
展会信息 公司新闻 行业新闻

事德拿(上海)智能科技有限公司

上海市浦东区自由贸易实验区富特东三路526号1幢345室

电话:021-58340058 邮箱:thsdrn@163.com
  • facebook

  • twitter

  • youtube