弹簧升起型 单动 上法兰型 油压夹紧 弹簧放松
使用油压为低压(2.5-7MPa)
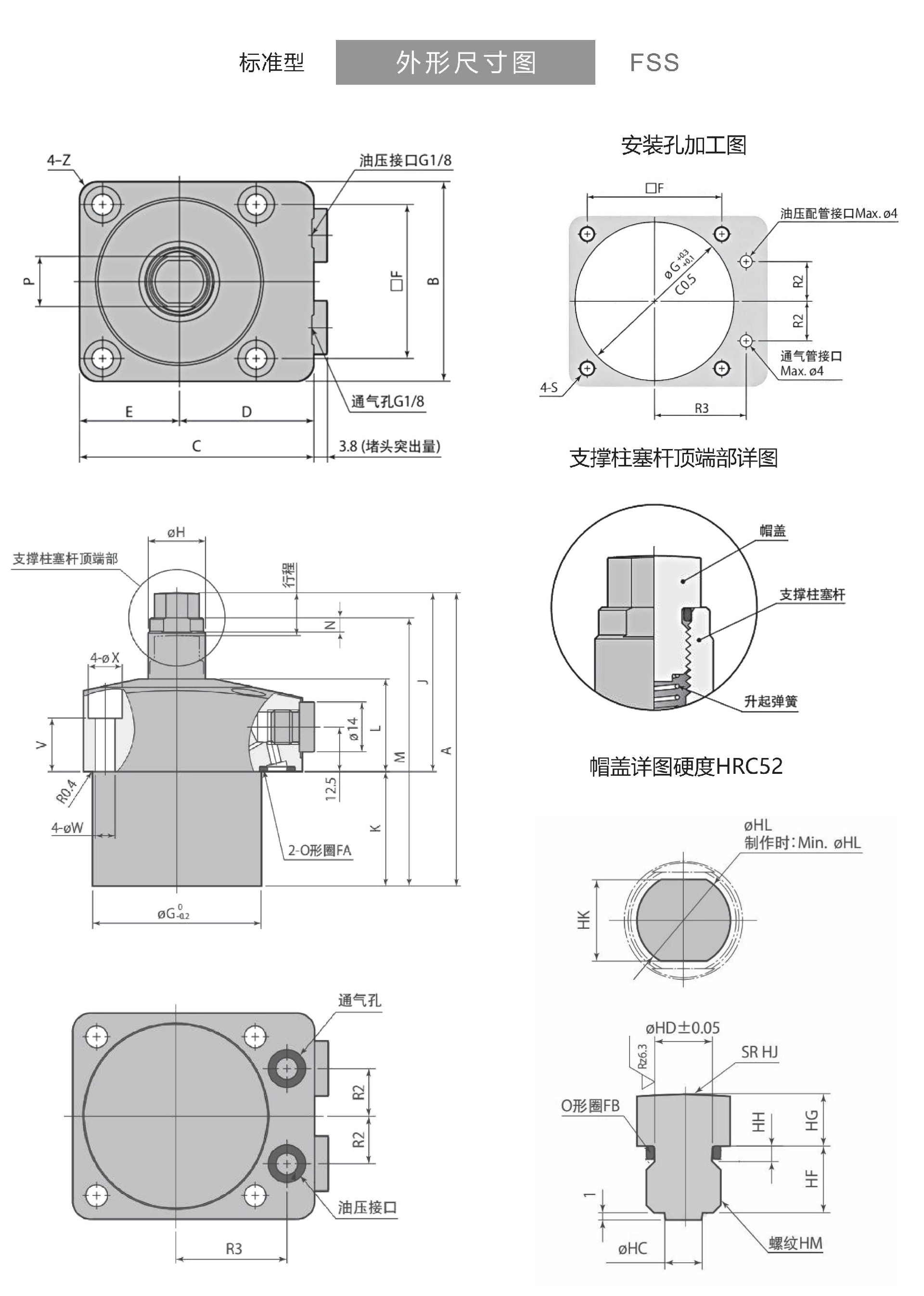
安装方式:有板式连接或外配油管 (板式连接可直接安装流量阀)
动作顺序:放上工件工件自重下压活塞定位,再通油压抱紧活塞。
为了使支撑力达到 (夹紧力+切削负荷) 的1.5倍以上,要选择相对应的型号

□油压范围:2.5~7 MPa □保证耐压:10.5 MPa □使用环境温度:0~70 ℃
□使用流体:普通矿物油基液压油(相当于ISO-VG32)。
1. 将工件支撑器与夹紧器对置使用时,为了使支撑力达到 (夹紧力+切削负荷) 的1.5倍以上,请选择型号匹配的工件支撑器与夹紧器。
2. 升起弹簧力表示支撑柱塞杆上升端~下降端的弹簧力。
可靠性大幅度提高的锥形套型工件支撑器

负荷与工件支撑力

载荷/变位曲线图

外形尺寸图

外形尺寸对照表

□安装面的最大表面粗糙度应加工在Rz6.3以下。
□请务必安装帽盖后使用(否则升起弹簧将无法支撑工件)。
□用户自制帽盖时,请参照帽盖详图,设置O形圈槽,弹簧挡肩面、导向部。另外请务必使用附带的O形圈。
□用户自制升起弹簧时,请参照帽盖详图决定其尺寸。请务必进行防锈处理(用户自制弹簧时,本公司不保证
夹紧器的动作)。
□本图表示未加压时,将帽盖拧入支撑柱塞杆的状态。